当前,叉车行业正加速迈向智能化,用户在追求高效作业的同时,对操作的舒适性与精确控制也提出了更高要求。随着电动叉车的广泛普及,控制阀技术正从传统手动控制向电比例控制升级。乐卓紧跟行业趋势,凭借深厚的研发实力与严格的测试验证,成功推出新一代电比例多路阀,已在市场上实现稳定应用。

目前,乐卓已形成多套成熟的电比例控制阀方案,可完美适配2.5 吨到 10 吨的平衡重叉车,同时还能根据客户的特殊需求,提供定制化解决方案,全方位满足不同场景下的作业需求,为叉车制造商提供有力的技术支持。

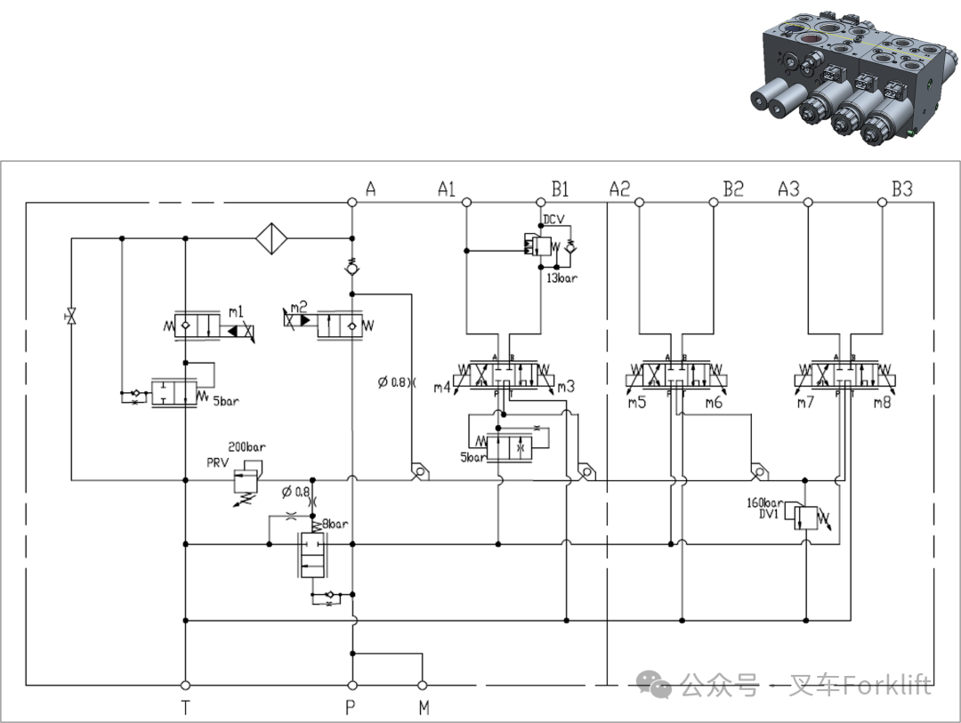
核心特性凸显,2.5-3.5吨平衡重叉车方案优势显著
在众多电比例控制阀方案中,乐卓针对 2.5–3.5 吨平衡重叉车推出的解决方案,以卓越的性能表现赢得了市场的广泛认可。该方案集成五大核心优势,为叉车的操控性、效率与舒适性带来全方位升级:

1 采用紧凑化设计理念,产品结构精巧,与市场主流产品的安装尺寸实现互换。
2 根据不同设备的需求,可以灵活拓展辅助联数量,极大地拓展了叉车的应用范围,提升设备的实用性与性价比。
3 集成转向优先功能模块,大大优化设备的管路配置。
4 电比例控制性能优异,线性度和滞环指标均达到行业领先水平。
5 低泄漏设计,实现低泄漏性能,泄漏量可控制在 < 5cc/min @190bar*的极低水平
应用案例丰富,市场认可度持续提升
优质的产品离不开市场的检验。当前,乐卓全新一代电比例叉车阀已在国内多家知名叉车制造企业完成样机装机测试及小批量试制。
在测试过程中,产品凭借稳定可靠的性能、优异的控制精度和便捷的安装特性,赢得了合作企业的高度认可。
随着测试与试制工作的顺利推进,未来该产品将在更多企业实现批量配套应用,进一步扩大市场影响力,展现强劲的市场竞争力。

强大制造实力,铸就卓越品质
卓越品质,始于严苛把控。乐卓南京研发生产基地配备先进设备与专业团队,从原材料到成品,每一个环节都层层把关、精益求精,以严谨工艺铸就每一台高品质产品。
通过精细化的生产管理与严格的质量检测,乐卓确保每一台出厂的电比例叉车阀都具备稳定可靠的性能与卓越的品质,为客户提供值得信赖的产品保障。与此同时,公司建立了完善的售后服务体系,可快速响应客户需求,提供专业的技术支持与全程服务,让客户使用更安心、更省心。

在叉车行业加速迈向智能化的浪潮中,乐卓全新一代电比例叉车阀凭借先进的技术、卓越的性能与可靠的品质,为行业发展注入了新的动力。未来,乐卓将继续深耕叉车液压控制领域,坚持创新驱动,持续研发更多高品质产品,为客户创造更大价值,助力叉车行业向高质量发展迈进!








沪公网安备 31011702000592号